温州Joepaiバルブ有限公司
温州Joepaiバルブ有限公司
3ウェイボールバルブ
ISO 5211 直接取り付けパッド付きねじ込み 3 方ボールバルブ
  • ISO 5211 直接取り付けパッド付きねじ込み 3 方ボールバルブISO 5211 直接取り付けパッド付きねじ込み 3 方ボールバルブ
  • ISO 5211 直接取り付けパッド付きねじ込み 3 方ボールバルブISO 5211 直接取り付けパッド付きねじ込み 3 方ボールバルブ
  • ISO 5211 直接取り付けパッド付きねじ込み 3 方ボールバルブISO 5211 直接取り付けパッド付きねじ込み 3 方ボールバルブ

ISO 5211 直接取り付けパッド付きねじ込み 3 方ボールバルブ

中国製 JOEPAI ねじ込み 3 方ボールバルブ、ISO 5211 直接取り付けパッド付き、内部流路は L 字型と T 字型に分割できます。内部バルブはPTFEシールとメタルハードシールに分かれており、手動スイッチやウォームギヤスイッチの取り付けが可能です。上記の接続プラットフォームは ISO 5211 規格に準拠しており、スイッチや調整のリモート インテリジェント制御用に電気または空気圧アクチュエータと直接組み合わせることができます。

中国の大手工業用バルブメーカーの 1 つである JOEPAI Valve ISO 5211 直接取り付けパッドとレバーを備えたステンレス鋼製ねじ込み 3 方ボール バルブの研究と輸出に焦点を当てています。製品は厳密に従って製造されています 国際規格に準拠しており、ヨーロッパ、アメリカ、 東南アジアの市場。 OEM/ODMカスタマイズサービスも提供しています。

ステンレス鋼のねじ込み式 3 方ボールバルブは高品質で作られています。 CF8/CF8M ステンレス鋼鋳造、L 字型および T 字型チャンネルを提供 構成、多方向スイッチング、転用などのサポート機能、 さまざまな複雑なプロセスフロー制御に適応し、マージします。 要件。この製品はコンパクトな構造で、素早く開閉でき、 クロージング、などの産業オートメーションパイプラインシステムで広く使用されています。 食品、化学薬品、医薬品、水処理など。

製品の詳細:

精密インベストメント鋳造ボディ: 高い構造的完全性、滑らかな表面仕上げ、優れた耐腐食性と耐摩耗性を保証します。
高圧性能: 定格 1000 PSI W.O.G. (水、油、ガス)、さまざまな流体およびガス用途で信頼性の高い動作を提供します。
調整可能なステムパッキン: 圧縮調整が簡単にできるため、シールの完全性を維持し、長期間使用しても漏れを防ぎます。
純粋なテフロンのシールとシート: 要求の厳しいサ​​ービスにおいて、優れた耐薬品性、低摩擦、気泡のない遮断を実現します。
ISO 5211 アクチュエーター取り付けパッド: 自動アクチュエーターを素早く直接取り付けて、作動操作に簡単に変換できるようにします。
顧客の要望に応じた防爆ステム、ソリッドボール
オプションのロック ハンドル: 危険または重要な用途に追加のセキュリティと制御を提供します。

Threaded 3-Way Ball Valve with ISO 5211 Direct Mounting Pad

Threaded 3-Way Ball Valve with ISO 5211 Direct Mounting Pad


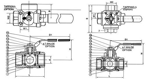
主要部品の材質:

いいえ。 部品名 材料
1 CF8M/CF8
2 キャップ CF8M/CF8
3 ボール CF8M/CF8
4 ガスケット PTFE
5 CF8M/CF8
6 パッキング PTFE
7 ステムシール PTFE
8 フレーク PTFE
9 グランドナット CF8M/CF8
10 ハンドラー CF8M/CF8
11 流れ方向標識 アルミニウム
12 ガスケット CF8
13 ナット CF8
14 ロック装置 CF8
15 プラスチックカバー ゴム
16 ブラインドカバ​​ー
CF8M/CF8

主な寸法

サイズ d L H D1 B W1 W2
1/2インチ 12.7 64 53 97 32.0 22.4 35.0
3/4インチ 16.0 76 63 126 38.0 22.4 35.0
1インチ 20.0 87 66 126 43.5 22.4 35.0
11/4インチ 25.0 96 81 145 48.0 22.4 35.0
11/2インチ 32.0 114 83 145 57.0 25.4 38.1
2インチ 38.1 142 96 204 71.0 25.4 38.1


Threaded 3-Way Ball Valve with ISO 5211 Direct Mounting PadThreaded 3-Way Ball Valve with ISO 5211 Direct Mounting Pad

ホットタグ: ISO 5211 直接取り付けパッド付きねじ込み 3 方ボールバルブ
お問い合わせを送信
連絡先情報
ボールバルブ、ゲートバルブ、グローブバルブ、または価格表に関するお問い合わせについては、メールをお届けしてください。24時間以内に連絡を取ります。
X
We use cookies to offer you a better browsing experience, analyze site traffic and personalize content. By using this site, you agree to our use of cookies. Privacy Policy
Reject Accept