温州Joepaiバルブ有限公司
温州Joepaiバルブ有限公司
ニュース

ニュース

JOEPAI、コスト効率の高い新しいステンレス鋼 304 消火栓バルブを発売 – 優れた耐食性は AS2419.2 規格に適合

ジョパイは、防火インフラにおける最新のイノベーションを導入できることを誇りに思っています。新しい範囲のステンレス鋼 304 消火栓バルブ。耐久性、コンプライアンス、価値を考慮して設計されたこれらのバルブは、従来の真鍮製モデルに代わる優れた代替品−より競争力のある価格帯で強化された耐食性を実現します。

に従って設計されていますAS/NZS 2419.2:2009新しい消火栓バルブは、特に商業、産業、住宅の消防システムを含む幅広い用途に最適です。海洋や鉱山などの攻撃的な環境.


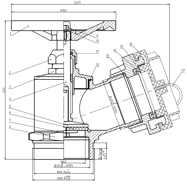
Stainless Steel 304 Fire Hydrant Valves

製品のハイライト:

ねじの種類: 角度付き 65mm BSP 鍛造 Storz アダプター、UV プラスチック キャップ付き

注入口の種類: 80mm ロール溝付き

材質グレード: ボディ、ボンネット、ディスク、ナットはCF8 (SS304);強度を高めるSS316製ステム

シール材質:NBRゴムによる確実な防漏性能

ハンドル:耐久性に優れたHT200鋳鉄

仕上げる:視認性の高い赤色塗装コーティング

使用圧力:1,400kPa

静水圧試験圧力:2,700kPa

気密試験圧力:800kPa

保証: 12ヶ月


技術的準拠:

設計およびテスト済みAS2419.2-2009

組み立て後のハンドルの詰まりがなくスムーズなハンドル操作

100% 検査およびテスト済み - 静水圧および気密テスト後も欠陥なし


真鍮ではなく SS304 を選ぶ理由

優れた耐食性: 真鍮が時間の経過とともに劣化する可能性がある過酷な環境に最適です。

費用対効果が高い: 品質やパフォーマンスに妥協することなく、より手頃な価格のソリューションを提供します。

軽量でありながら強力: 構造の完全性を維持しながら、取り扱いと設置が容易になります。


その他の利用可能な構成:

65mm NSW オス x 80mm ロール溝付き

65mm CFA オス x 80mm ロール溝付き

65mm QRT オス x 65mm オス BSP

65mm BI x 80mm ロール溝付き

65mm QRT オス x 80mm ロール溝付き

65mm Storz アダプター x 65mm オス BSP

既存のシステムをアップグレードする場合でも、新しいプロジェクトに仕様を指定する場合でも、JOEPAI の新しい SS304 消火栓バルブは、パフォーマンス、コンプライアンス、手頃な価格の完璧なバランス.

今すぐお問い合わせください詳細を確認したり、見積もりをリクエストするには。

関連ニュース
メッセージを残してください
X
当社は Cookie を使用して、より良いブラウジング体験を提供し、サイトのトラフィックを分析し、コンテンツをパーソナライズします。このサイトを使用すると、Cookie の使用に同意したことになります。 プライバシーポリシー
拒否する 受け入れる