温州Joepaiバルブ有限公司
温州Joepaiバルブ有限公司
ニュース

ニュース

当社のコスト効率の高い 3 ピース鍛造鋼製高圧ボールバルブが良い選択である理由

3ピース鍛造鋼製高圧ボールバルブとは何ですか?

A 3ピース鍛造鋼製高圧ボールバルブ3ピース構造のボディをボルトで結合した高強度ボールバルブを指します。その閉鎖要素は精密に機械加工されたボールであり、バルブステムによってバルブ本体の中心線の周りを回転して、媒体の迅速な遮断、分配、または流れの切り替えを実現します。


製品説明

3ピース鍛造鋼製ボールバルブは操作が簡単、コンパクト、確実にシールされ、構造がシンプルでメンテナンスが簡単です。シール面とボールは常に閉じた状態となり、媒体による浸食を受けにくくなります。さまざまな業界で広く使用されています。

バルブボディは鍛造プロセスを使用して形成され、材質はステンレス鋼(F304、F316 など)または炭素鋼(A105 など)です。鍛造鋼材は、緻密な組織、優れた機械的特性、強い耐衝撃性などの特徴を備えており、特に高圧および高強度の作業条件に適しています。

パイプラインシステムのニーズに応じて、ねじ接続(NPT、BSP-P(G)、BSPT(Rc))、突合せ溶接(BW)、ソケット溶接(SW)g、フランジ接続などのさまざまな接続方法を選択でき、柔軟な設置と強力な適応性を提供します。

設計圧力は最大1500LBに達し、石油、化学工業、天然ガスなどの高圧輸送システムに適しています。


3 ピース鍛造鋼ボールバルブ規格:

1) 設計および製造規格: BS5351、MSS SP-118

2) 接続端寸法: ANSI B16.10、JB/T1715

ソケット溶接端の寸法: ANSI B16.11、JB/T1715

ねじ端寸法: ANSI B1.12.1、JB/T7306

突合せ溶接端の寸法: ANSI B16.25、JB/T12224

3) テストと検査: API 598

4) 材料規格: ANSI/ASTM


3-Piece Forged Steel High-pressure Ball Valve


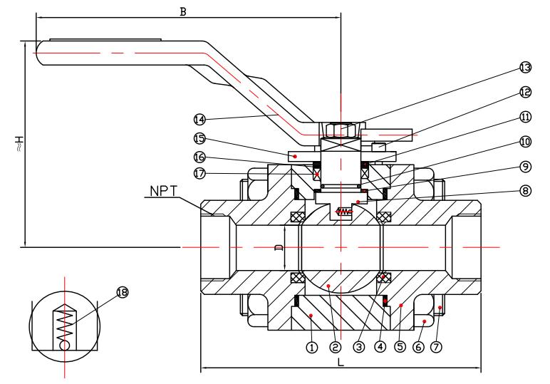
主な材質表:

いいえ。 部品名 炭素鋼 ステンレス鋼
1 A105 F304 F304L F316 F316L
2 ボール SS304 F304 SS304L SS316 SS316L
3 シート PTFE、RPTFE
4 ガスケット SS304/SS316 + グラファイト
5 キャップ A105 F304 F304L F316 F316L
6 ナット A194-2H A194-8 A194-8M
7 ボルト A193-B7 A193-B8 A193-B8M
8 SS304 F304 SS304L SS316 SS316L
9 スラストワッシャー PTFE、RPTFE
10 Oリング バイトン
11 SS304 SS304 SS304 SS316 SS316
12 ボルト 1035
13 ナット ステンレス鋼
14 ハンドル WCB、ステンレス
15 限定プレート 1025
16 防火リング SS304、SS316
17 パッキング 黒鉛
18 SS304、SS316


主な寸法表:

DN mm NPS(インチ) Lmm Dmm ふーむ
15 1/2” 92 13 66
20 3/4” 112 19 72
25 1” 126 24 100
32 11/4” 129 30 105
40 11/2” 152 38 112
50 2” 176 49 122


3-Piece Forged Steel High-pressure Ball Valve3-Piece Forged Steel High-pressure Ball Valve3-Piece Forged Steel High-pressure Ball Valve3-Piece Forged Steel High-pressure Ball Valve



プロフェッショナルな製造保証 – 温州Joepai Valve Co., Ltd.

ステンレス鋼・炭素鋼ボールバルブの研究・開発・製造の専門会社として、温州Joepaiバルブ有限公司は、「中国のバルブシティ」として知られる温州市龍湾区の浜海工業団地に位置しています。同社は近代的な生産基盤と包括的な品質管理システムを誇っています。同社には次のものが備わっています。

専門的な研究開発センターとCNC機械加工装置

高度な検査機器(コンピュータ多元素分析装置、リーブ硬さ試験機、厚さ計など)

圧力試験機、ライフサイクル試験機、その他の全工程試験プラットフォーム

Joepai Valve は、厳格なプロセスと継続的な革新に頼って、すべての 3PC 鍛造鋼製高圧ボール バルブが高水準の性能要件を満たしていることを保証し、お客様に安全で信頼性の高い、耐久性のあるバルブソリューション.


関連ニュース
メッセージを残してください
X
当社は Cookie を使用して、より良いブラウジング体験を提供し、サイトのトラフィックを分析し、コンテンツをパーソナライズします。このサイトを使用すると、Cookie の使用に同意したことになります。 プライバシーポリシー
拒否する 受け入れる